+86-0523-83274900
Gandingan hos api John Morris

Gandingan hos api John Morris

Gandingan hos api John Morris dapat diklasifikasikan kepada 2 jenis berdasarkan bentuk tailpipe:
1. Serrated Tail Ends Type: Apabila disambungkan ke hos, hos diletakkan di bahagian luar tailpipe dan disambungkan dengan menggunakan Kaedah pemampatan cincin aluminium.
2. Ribbed Tail Ends Jenis: Apabila disambungkan ke hos, hos diletakkan di bahagian luar tailpipe dan disambungkan menggunakan kaedah mengikat dawai.

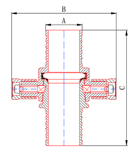
Dimensi Sumber

Perkara no.

Din/mm

Dia

A/mm

B/mm

C/mm

Dn

40

1.5 "

38

136

153

65/40

2.5 "/1.5"

38

182

201

65/45

2.5 "/1.75"

44

182

201

65/50

2.5 "/2"

51

182

201

65

2.5 "

63.5

180

200

150

6 "

152

297

351

* Proses bahan dan pembuatan boleh disesuaikan atas permintaan.
* Keperluan lain (seperti tekanan kerja, tekanan pecah, dll) juga boleh disesuaikan seperti yang diperlukan.

Jiangsu Jinding Fire Protection Technology Co., Ltd.
Jiangsu Jinding Fire Protection Technology Co., Ltd., yang terletak di Zon Pembangunan Ekonomi Jiang Su Xinghua, ditubuhkan pada tahun 1998. Ia adalah sebuah syarikat perindustrian yang mengintegrasikan reka bentuk, pembangunan, pengeluaran dan jualan. Syarikat telah meluluskan Pensijilan Sistem Kualiti ISO9001: 2015 dan pensijilan sukarela produk, dan produk berkaitan telah memperoleh laporan pemeriksaan Pusat Pengawasan dan Pemeriksaan Kualiti Peralatan Kebakaran Kebangsaan.
Syarikat kami terutamanya mengeluarkan beberapa siri produk, termasuk gandingan pemadam kebakaran, muncung air, pili bomba, gandingan paip berdiameter besar, dan gandingan bekalan air medan minyak. Produk ini digunakan secara meluas dalam perlindungan kebakaran, petroleum, kimia, ketenteraan dan industri lain.
Syarikat ini mempunyai keupayaan R & D bebas yang baik dan mempunyai satu set proses pengeluaran lengkap seperti pembuatan acuan, pemprosesan pengeluaran dan ujian produk. Pada masa yang sama, perusahaan memberi kepentingan kepada keperluan pelanggan, tepat pada masanya memahami dinamik pasaran, terus mengembangkan dan menghasilkan produk baru, dan memenangi kepercayaan dan pujian pelanggan baru dan lama.
Syarikat menyampaikan boleh dipercayai Gandingan hos api John Morris dan perkhidmatan profesional berdasarkan komitmen berkualiti dan perkongsian kolaboratif, berusaha untuk membina hubungan kerjasama yang mampan dengan pelanggan.
27+

27 tahun industri Pengalaman pembuatan

Sijil
Berita
Mari kita perbualan
Hanya bertanya khabar dan kami akan memulakan kerjasama yang bermanfaat. Mulakan kisah kejayaan anda sendiri.
Perlukan peralatan untuk perniagaan anda?
Biarkan pasukan kami memberikan anda penyelesaian tersuai.