+86-0523-83274900
Storz Adapter Couplings - Flanged
Rumah / Produk / Penyesuai / Storz Adapter Couplings - Flanged

Storz Adapter Couplings - Flanged

Gandingan penyesuai digunakan untuk menyambung atau menukar antara standard dan jenis kelengkapan yang berbeza. Mereka membenarkan antara muka yang tidak serasi untuk disambungkan antara satu sama lain dengan lancar.

Gandingan penyesuai termasuk, tetapi tidak terhad kepada: Jerman ke Storz (Lelaki/Perempuan), Jerman ke Perhutanan, Jerman ke Jerman Locking, Jerman ke Flange, Jerman ke Multi-Gigi, Storz Lelaki ke Storz Perempuan, Storz ke Perhutanan, dll.
Semua jenis gandingan penyesuai boleh disesuaikan atas permintaan.

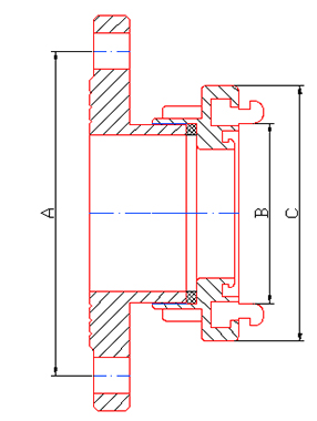
Dimensi Sumber

Perkara no.

Din/mm

Dia

A/mm

B/mm

C/mm

/

80

3 "

160

89

126

Small100

4 "

180

115

156

Kecil 100 (Standard Amerika)

4 "

190.5

115

156

Besar 100

4 "

180

133

182

Big 100 (Standard Amerika)

4 "

190.5

133

182

150

6 "

240

160

215

150 (Standard Amerika)

6 "

241.3

160

215

200

8 "

295

220

280

200 (Standard Amerika)

8 "

298.5

220

280

250

10 "

355

278

339

250 (Standard Amerika)

10 "

362

278

339

300

12 "

410

316

384

300 (Standard Amerika)

12 "

431.8

316

384

350

14 "

470

366

448

350 (Standard Amerika)

14 "

476.3

366

448

* Proses bahan dan pembuatan boleh disesuaikan atas permintaan.
* Keperluan lain (seperti tekanan kerja, tekanan pecah, dll) juga boleh disesuaikan seperti yang diperlukan.

Jiangsu Jinding Fire Protection Technology Co., Ltd.
Jiangsu Jinding Fire Protection Technology Co., Ltd., yang terletak di Zon Pembangunan Ekonomi Jiang Su Xinghua, ditubuhkan pada tahun 1998. Ia adalah sebuah syarikat perindustrian yang mengintegrasikan reka bentuk, pembangunan, pengeluaran dan jualan. Syarikat telah meluluskan Pensijilan Sistem Kualiti ISO9001: 2015 dan pensijilan sukarela produk, dan produk berkaitan telah memperoleh laporan pemeriksaan Pusat Pengawasan dan Pemeriksaan Kualiti Peralatan Kebakaran Kebangsaan.
Syarikat kami terutamanya mengeluarkan beberapa siri produk, termasuk gandingan pemadam kebakaran, muncung air, pili bomba, gandingan paip berdiameter besar, dan gandingan bekalan air medan minyak. Produk ini digunakan secara meluas dalam perlindungan kebakaran, petroleum, kimia, ketenteraan dan industri lain.
Syarikat ini mempunyai keupayaan R & D bebas yang baik dan mempunyai satu set proses pengeluaran lengkap seperti pembuatan acuan, pemprosesan pengeluaran dan ujian produk. Pada masa yang sama, perusahaan memberi kepentingan kepada keperluan pelanggan, tepat pada masanya memahami dinamik pasaran, terus mengembangkan dan menghasilkan produk baru, dan memenangi kepercayaan dan pujian pelanggan baru dan lama.
Syarikat menyampaikan boleh dipercayai Storz Adapter Couplings - Flanged dan perkhidmatan profesional berdasarkan komitmen berkualiti dan perkongsian kolaboratif, berusaha untuk membina hubungan kerjasama yang mampan dengan pelanggan.
27+

27 tahun industri Pengalaman pembuatan

Sijil
Berita
Mari kita perbualan
Hanya bertanya khabar dan kami akan memulakan kerjasama yang bermanfaat. Mulakan kisah kejayaan anda sendiri.
Perlukan peralatan untuk perniagaan anda?
Biarkan pasukan kami memberikan anda penyelesaian tersuai.